SDR Rod Wipers

●如上圖所示防塵密封件威力方向。請注意安裝方向。
●它可能不被槽中一起取決於安裝槽的位置。請分割槽結構的情況下。
●大小取決於組合到安裝。
組合到安裝,請參考尺寸。
●主要用於室內正常大氣,故不推薦你在惡劣條件下使用。使用前請檢查。
※對於粗糙度符號的表面粗糙度的標準序列,在這裡請參考。


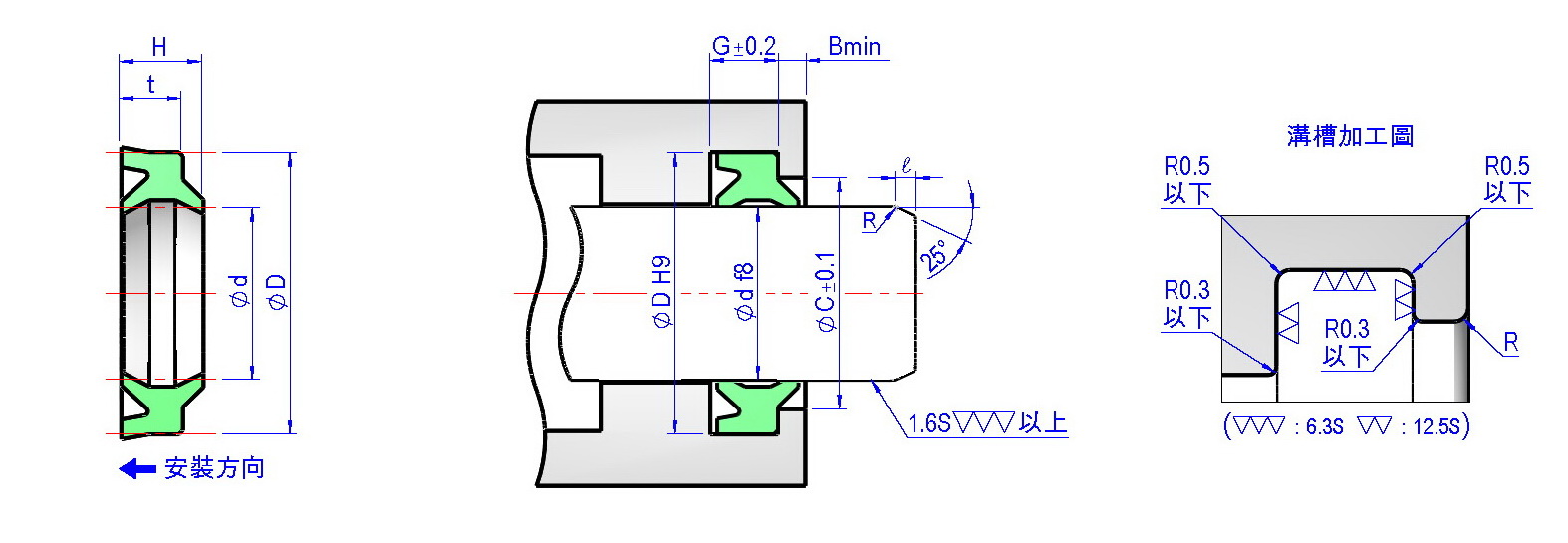
●如上圖所示防塵密封件威力方向。請注意安裝方向。
●它可能不被槽中一起取決於安裝槽的位置。請分割槽結構的情況下。
●大小取決於組合到安裝。
組合到安裝,請參考尺寸。
●主要用於室內正常大氣,故不推薦你在惡劣條件下使用。使用前請檢查。
※對於粗糙度符號的表面粗糙度的標準序列,在這裡請參考。
